- Mô tả
- Đánh giá (0)
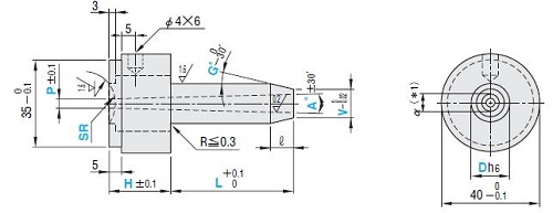
Mô tả
Bạc phun SBJNT là linh kiện khuôn mẫu được sử dụng trong khuôn ép nhựa, khuôn dập, đúc nhôm, hay khuôn thổi để kết hợp với bạc dẫn hướng cho hai nửa khuôn.

Thông số kỹ thuật bạc phun SBJNT:
- Model:
- Vật liệu :
- Xuất xứ: Đài Loan

Các sản phẩm linh kiện khuôn mẫu liên quan
- Chốt dẫn hướng thường
- Bột rà khuôn mẫu
Thông tin thanh toán khi mua hàng:
- Thanh toán 100% trước khi giao hàng.
- Với những hàng order: đặt trước 50%, số còn lại thanh toán khi hàng về.
Để liên hệ tư vấn về các loại linh kiện khuôn mẫu như chốt dẫn hướng, lò xo, chốt hồi, vít bịt, bu lông kéo, vòng định vị, bạc cuống phun, bạc dẫn hướng … giá tốt nhất cùng với dịch vụ service chất lượng tốt nhất thị trường Việt Nam.
Luôn sẵn tồn kho lớn – giao hàng ngay!
ĐÔNG DƯƠNG EQUIPMENT CO.,LTD – Hotline : (024)7300.1868 – Email : info@thietbidongduong.com
Địa chỉ: Số 124 Lê Trọng Tấn, P.La Khê, Q. Hà Đông, TP. Hà Nội









Đánh giá
Chưa có đánh giá nào.