- Mô tả
- Đánh giá (0)
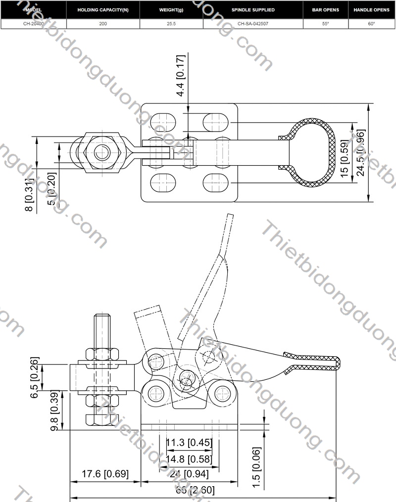
Mô tả
Kẹp định vị CH-20400 là kiểu cam kẹp ngang, tại trạng thái giữ sản phẩm, thì tay cầm ở vị trí song song với bề mặt sản phẩm.

Thông số kỹ thuật:
- Model: CH20400
- Trọng lượng: gram
- Lực kẹp: N
- Góc mở tay cầm: độ
- Góc mở thanh kẹp: độ
Bản vẽ kỹ thuật và catalogue của cam kẹp CH20400:

Kẹp định vị có chức năng tương đương:
- Kẹp định vị CH-200-WH
- Kẹp định vị CH-200-WLH
- Kẹp định vị CH-220-WL
- Kẹp định vị CH-220-WLH
Thông tin thanh toán khi mua cam kẹp:
- Thanh toán 100% trước khi giao hàng.
- Với những hàng order: đặt trước 50%, số còn lại thanh toán khi hàng về.
Để liên hệ tư vấn về các loại linh kiện khuôn mẫu như chốt dẫn hướng, lò xo, chốt hồi, vít bịt, bu lông kéo, vòng định vị, bạc cuống phun, bạc dẫn hướng … giá tốt nhất cùng với dịch vụ service chất lượng tốt nhất thị trường Việt Nam.
Luôn sẵn tồn kho lớn – giao hàng ngay!
ĐÔNG DƯƠNG EQUIPMENT CO.,LTD – Hotline : (024)7300.1868 – Email : info@thietbidongduong.com
Địa chỉ: Số 124 Lê Trọng Tấn, P.La Khê, Q. Hà Đông, TP. Hà Nội

















Đánh giá
Chưa có đánh giá nào.